


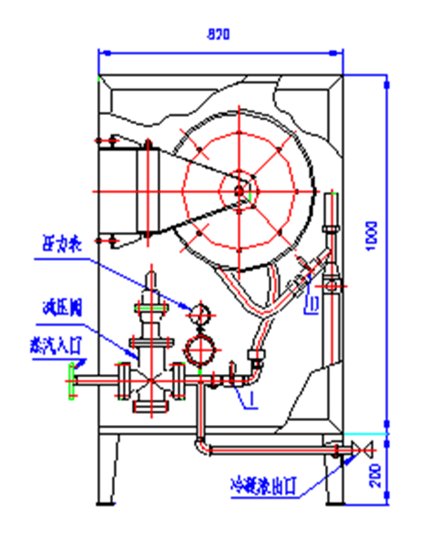
Q/SDF 14-2016 《蒸汽消防箱》。
型號示例:
|
型 號 項 目 |
ZQXⅠ-15/20-0.6 |
ZQXⅡ-20/20-0.6 |
|
蒸汽入口管徑(mm) |
20 |
20 |
|
蒸汽膠管長度(m) |
15 |
20 |
|
適用的飽和蒸汽壓力范圍〔MPa〕 |
0.3~0.6(壓力超過0.6時需加減壓閥) |
0.3~0.6(壓力超過0.6時需加減壓閥) |
|
蒸汽槍槍口直徑(mm) |
9 |
9 |
|
有效射程(m) |
6~8 |
6~8 |
|
設計溫度(℃) |
≤180 |
≤180 |
|
操作介質 |
飽和蒸汽 |
飽和蒸汽 |
|
外形尺寸(mm)高×寬×厚 |
1200×820×330 |
1200×820×330 |
性能參數:
|
型 號 項 目 |
ZQXⅠ-15/20-0.6 |
ZQXⅡ-20/20-0.6 |
|
蒸汽入口管徑(mm) |
20 |
20 |
|
蒸汽膠管長度(m) |
15 |
20 |
|
適用的飽和蒸汽壓力范圍〔MPa〕 |
0.3~0.6(壓力超過0.6時需加減壓閥) |
0.3~0.6(壓力超過0.6時需加減壓閥) |
|
蒸汽槍槍口直徑(mm) |
9 |
9 |
|
有效射程(m) |
6~8 |
6~8 |
|
設計溫度(℃) |
≤180 |
≤180 |
|
操作介質 |
飽和蒸汽 |
飽和蒸汽 |
|
外形尺寸(mm)高×寬×厚 |
1200×820×330 |
1200×820×330 |